Настенный насос для масла Samoa PM60-12MS, 12:1, 65 л/мин, арт. 537130
Samoa PM60-12MS — высокопроизводительный пневматический насос для перекачки масел и смазочных жидкостей. Разработан для настенного монтажа, обеспечивая подачу масла под давлением до 144 бар. Универсальная конструкция насоса позволяет эффективно работать в системах с несколькими раздаточными точками и при низком давлении воздуха, что делает его идеальным решением для крупных сервисных центров и производственных предприятий.
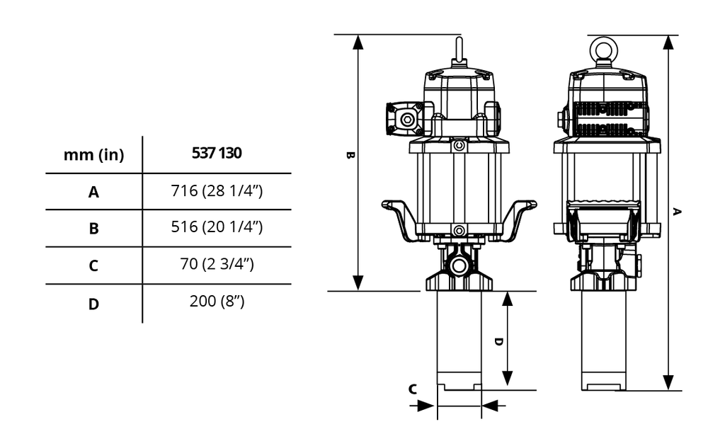
Особенности конструкции
- Двойное действие: Насос рассчитан на интенсивный режим работы с большими объёмами смазочных материалов.
- Прочные материалы: Корпус выполнен из чугуна, алюминия, никеля, стали, полиуретана и NBR, что обеспечивает износо- и коррозионную стойкость.
- Универсальность подключения: Оснащён резьбовыми соединениями для воздушной магистрали, напорного и всасывающего рукавов.
- Разгрузочный клапан: Предусмотрено место для установки клапана сброса давления (опция).
- Компактные габариты: Высота всасывающей трубки — 200 мм, общие размеры — 20x20x71.6 см.
Преимущества использования
- Высокая производительность — до 65 л/мин.
- Максимальное давление жидкости на выходе — 144 бар.
- Экономичность: расход воздуха составляет всего 1250 нл/мин.
- Подходит для различных видов масел: гидравлическое, трансмиссионное и другие.
- Универсальность установки: настенный монтаж с фиксацией на вертикальную опору.
- Долговечность за счёт использования износостойких материалов.
Сферы применения
- Крупные сервисные центры и станции техобслуживания;
- Сфера обслуживания строительной, добывающей, сельскохозяйственной и железнодорожной техники;
- Промышленные предприятия с несколькими раздаточными точками;
- Эксплуатация в условиях низкого давления воздуха.
Основные характеристики
| Параметр | Значение |
|---|---|
| Тип насоса | Пневматический, поршневой |
| Коэффициент сжатия | 12:1 |
| Максимальная производительность | 65 л/мин |
| Максимальное давление жидкости | 144 бар |
| Диапазон рабочего давления | 1.5–12 бар |
| Соединение на входе | Rp 1 1/2" |
| Соединение на выходе | Rp 3/4" |
| Соединение на входе воздуха | Rp 1/2" |
| Расход воздуха | 1250 нл/мин |
| Диаметр пневматического поршня | 150 мм |
| Ход пневматического поршня | 100 мм |
| Уровень шума | 80 дБ |
| Вес | 19 кг |
| Габариты | 20x20x71.6 см |
Купить настенный насос Samoa PM60-12MS
Запросите полный каталог оборудования или получите консультацию у наших менеджеров, чтобы узнать больше!
Закажите Samoa PM60-12MS в интернет-магазине GreaseOilTools.ru!
Свяжитесь с нами, чтобы получить специальные оптовые цены на оборудование!
Есть вопросы по этому продукту?
Если вы не нашли ответ на странице, то задайте вопрос одному из наших сотрудников.
Мы осуществляем оптовые поставки, розничные поставки, предлагаем монтаж оборудования, техобслуживание, поставка запасных частей, нанесение вашего логотипа на оборудование. Узнайте подробнее о всех решениях, подходящих под ваши конкретные задачи!
Мы с радостью принимаем заказы 24 часа, 7 дней в неделю и обслуживаем их в рабочее время с 9:00 до 18:00 по московскому времени. Доставка возможна как по Москве, так и в регионы России, черех ТК «Деловые Линии», «Байкал Сервис», «ПЭК» и другие.
Так же, мы отправляем оборудование в Казахстан, Беларусь, Узбекистан.
Ответы на частые вопросы
Для оформления заказа выберите товары, добавьте их в корзину и нажмите кнопку «оформить», откроется форма для ввода реквизитов вашей компании. Либо отправьте запрос на нашу почту и мы подготовим счёт на оплату. Подробнее об оплате, - в разделе «Оплата»
Вы можете сформировать счёт через сайт, при оформлении заказа, отправить запрос на нашу почту или через заявку через форму обратной связи. Мы свяжемся с вами в течение нескольких минут, что бы согласовать детали.
Для получения более подробной информации по вашему заказу, напишите нам на почту: sales@greaseoiltools.ru
Пожалуйста, прикрепите реквизиты вашей компании, если вы являетесь торгующий организацией и желаете получить оптовые цены на оборудование.
Вы можете выбрать любые способы доставки, описанные в разделе «Доставка», а именно: самовывоз, доставка курьером, доставка через транспортную компанию.
Мы отправляем грузы транспортной компанией «Деловые линии» на следующий день после подтверждения вашего заказа.
Вы можете заказать доставку транспортными компаниями в города: Архангельск, Владивосток, Волгоград, Воронеж, Екатеринбург, Ижевск, Иркутск, Казань, Кемерово, Краснодар, Красноярск, Москва, Нижний Новгород, Новосибирск, Омск, Оренбург, Пенза, Пермь, Ростов-на-Дону, Санкт-Петербург, Самара, Саратов, Тюмень, Таганрог, Уфа, Чебоксары, Челябинск, Ярославль, а также в Брянск, Владимир, Иваново, Калуга, Курган, Курск, Мурманск, Орёл, Псков, Саранск, Смоленск, Тамбов, Тверь, Ульяновск, Элисту, Йошкар-Олу, Грозный, Владикавказ, Черкесск, Нальчик, Южно-Сахалинск, Якутск, Петропавловск-Камчатский, Магадан, Благовещенск и другие регионы России.
Доставка возможна в Казахстан, Узбекистан и Беларусь.
Узнать о статусе отправки вы можете написать нам на почту или позвонить по номеру телефона, указанному в контаках сайтах.
Все популярные позиции мы стараемся держать в большом количестве на наших складах в Москве и Алматы. Вы можете приехать, убедиться лично! Адрес склада указан в разделе «Контакты»
На оборудование европейских производителей предоставляется гарантия - 1 год после покупки.
Мы осуществляем гарантийный ремонт и сервисное обслуживание на протяжении всего срока использования оборудования, которое было приобретено в нашей компании. Срок гарантийного обслуживания установлен только на оборудование, указанное в гарантийном талоне, который поставляется вместе с отгружаемым оборудованием.
Мы предоставляем скидки для наших дилеров и торгующих организаций. Свяжитесь с нами по почте: sales@greaseoiltools.ru, что бы узнать вашу индивидуальную скидку.
Мы осуществляем поставку запасных частей и ремкомплектов к оборудованию из нашего каталога. Самые необходимые запчасти стараемся держать на нашем складе в большом количестве.
На данную продукцию имеются сертификаты соответствия.
Сертификат дилера доступен по запросу.
Вы можете запросить необходимые материалы по почте.
Свяжитесь с нами и мы вышлем вам паспорт изделия, инуструкцию на русском языке и каталог оборудования.
На этой странице вы можете ознакомиться с подробными техническими характеристиками и купить Насос для масла настенный Samoa PM 60 - 12 MS 6 "- 150 мм 12:1 (артикул 537130) от производителя Samoa. Насос для масла настенный Samoa PM 60 - 12 MS 6 "- 150 мм 12:1: описание, фото, характеристики, отзывы покупателей, инструкция, аксессуары, ремкомплекты и сопутствующие товары. Широкий выбор оборудования марки Samoa. Официальный поставщик. Мы поставляем оборудование оптом и в розницу.
